作者:上大科技发布日期:2022-11-10 16:41:43浏览人数:2989
V605,USB A口快充全协议芯片
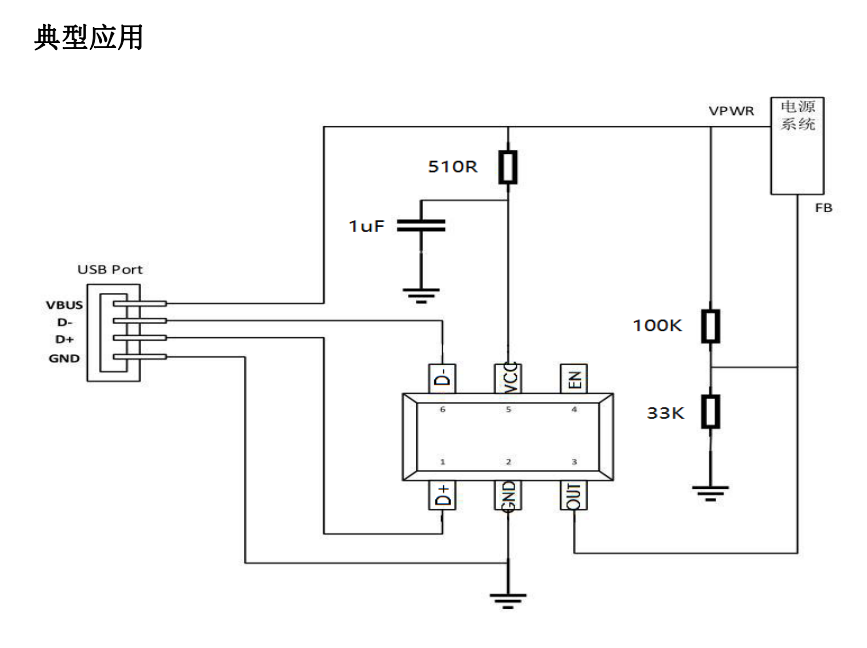
功能描述
? 可支持充电协议:
? 高通 QC2.0/QC3.0 快速充电协议(在 D+和 D-接口)
? 符合 USB BC 1.2 协议短接 D+和 D
? 支持 YD/T 1591-2009
? 兼容苹果充电模式,在 D+和 D-可为苹果设备提供最大 5V/2.4A
? 兼容三星快充模式(AFC, 18W)
? 兼容华为快充模式(FCP, 18W)
? 兼容低压直充(5V/4A, 20W)
? 兼容低压快充手机(4V/5.5A~5V/4.5A~5.5V/4A, 22.5W)
? ESD 级别:2kV HBM and 1KV CDM ESD Level
?工作温度度:-40°C ~ +125°C
?封装: SOT23-6L
应用领域: ? 适配器 ? 车载充电器 ? 移动电源 ? USB

更多应用资料,请联系我们。
友情链接: