作者:上大科技发布日期:2022-11-10 16:26:26浏览人数:1441
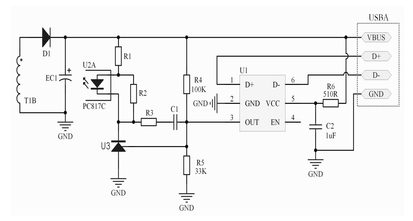
Z866可显示MAX标的USB Type-A 口协议芯片
产品描述
? 支持 BC1.2 充电协议
? 支持 Apple 2.4A 充电
? 兼容高通 QC2.0/3.0/3.0+
? 支持三星 AFC(18w)
? 支持华为 FCP,SCP
? 支持专有的高压直接充电协议(11V/6A,66W)
? 兼容低压直充设备
? ESD 2KV
应用领域: ? 车充 ? 墙充及排插电源 ? 旅行充电器 ? 移动电源 ? 其它A口智


更多应用资料,请联系我们
友情链接: