例: SP1231F|SP1233FL|SW6124|SW6106|CS8626
CS5715:2.7V~26V宽输入,单节锂电池适用,最高36V输出,省掉电感电流检测电阻,软启动时间可调,异步升压DCDC控制器

Part NO:CS5715:2.7V~26V宽输入,单节锂电池适用,最高36V输出,省掉电感电流检测电阻,软启动时间可调,异步升压DCDC控制器

封装:ESOP10L

工作电压:2.7V~26V

简介:
  • CS5715E是一款适用于单节锂电池的宽输入异步升压DC-DC控制器,输入电压范围2.7~26V,最大输出电压36V,适用于手持及便携设备、LCD显示器、充电器及移动电源等场景。采用ESOP10L封装(底部带散热片,4000/卷),工作结温-40℃~125℃,环境温度-40℃~85℃,热阻40℃/WESD防护达±2KVHBM),可靠性优异。

    核心亮点是省去电感电流检测电阻,直接采样外部NMOS漏极电流,通过ILIM引脚电阻编程设定峰值电流,简化外围设计并减少发热。采用电流模式PWM工作,轻载时自动切换至跳周模式(PSM)提升效率,误差放大器内置1.2V基准电压(精度±1%)。开关频率可通过RT引脚外部电阻在100KHz~1MHz范围内调节,RT电阻取值19.2KΩ~192KΩ,浮空时默认180KHz;输出电压通过FB引脚分压电阻设定,适配不同输出需求。

    具备可调软启动功能,通过ILIM引脚外接电容可延长软启动时间,有效降低启动电流尖峰与输出电压过冲,软启动时间随电容增大而延长、随ILIM电阻增大而缩短。保护机制完善,包含输入欠压保护(2.6V阈值,0.1V滞回)、开关管过流保护(OCP)、150℃过温保护(30℃滞回),关断电流低至3.5μA,静态工作电流700μA,功耗控制优异。

    使能引脚(EN)高电平(≥1.22V)开启、低电平(≤1.18V)关断,可直接连接输入电压实现自启动。外围需搭配外部NMOS3.3μH~47μH功率电感(饱和电流需留足余量)、低ESRX5R/X7R陶瓷电容及快恢复肖特基二极管,输入输出电容需贴近芯片管脚以抑制噪声,大电流路径需优化布线,保障散热与稳定性。

    CS5715的特性

    36V最大输出电压

    2.7V~26V输入电压范围

    100KHz1MHz的可调频率

    外部可调软启动时间

    +1%反馈基准电压

    3.5μA关断电源电流

    开关管过流保护OCP

    输入欠压保护UVP

    过温保护OTP

    CS5715的应用信息

    图片1.png 

    1 典型应用图

    图片2.png 

    2 引脚排列及定义

    图片3.png 

    3 功能框图

    图片4.png 

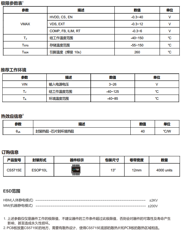
    4 基础参数

    图片5.png  

     

    图片2.png 


  • 友情链接:

    关于我们产品展示方案技术新闻资讯

    深圳市龙华区民治街道民乐路粤通综合楼D栋511室

    联系人:刘先生13794497935      Email:ben@sandtech.cn

    微信公众号

    Copyright copy; 2018 上大科技, All Rights Reserved
    粤ICP备18073833号-1 版权所有:上大科技   网站建设:深圳北易
    上大科技 销售总监
    上大科技 销售经理
    上大科技 销售经理
    上大科技 电话
    上大科技 微信
    上大科技
    返回顶部