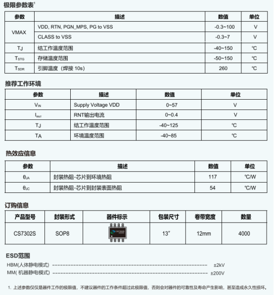
封装:SOP8
工作电压:0V-57V
在网络语音电话(VoIP 电话)、安防摄像头系统、远程网络供电设备的设计中,一款符合标准、兼具稳定性与兼容性的 PoE PD 控制器,是保障以太网供电系统可靠运行的关键 —— CS7301S/CS7302S 15W PoE PD 控制器系列,恰好能匹配这类需求。该系列作为以太网供电系统中的受电设备(PD)接口方案,完全符合 IEEE802.3af 规范,单颗支持 15W 功率输出,可满足中小型网络设备的供电需求。
从核心性能来看,CS7301S 与 CS7302S 均集成 100V 通路开关 MOSFET,浪涌期间能将电流限制在 150mA 左右,待隔离 MOSFET 完全导通后切换至 400mA~500mA 直流电流限制,搭配宽滞后欠压锁定(UVLO)、过温保护及 di/dt 限制功能,可有效应对以太网供电场景下的电压波动与过载风险。更关键的是,该系列具备良好的兼容性:CS7301S 兼容 TMI7301,CS7302S 兼容 TMI7302A,能简化既有设备的芯片替换流程,降低选型与设计成本。无论是安防摄像头的户外稳定供电,还是 VoIP 电话的桌面便捷取电,这款 PoE PD 控制器系列都能为以太网供电设备提供可靠的接口支撑。
CS7301S兼容TMI7301,能快速替换原有的设备。




CS7302S兼容TMI7302A,能快速替换原有的设备。




公司产品:

友情链接: