封装:SOT23-6L
工作电压:3V~16V
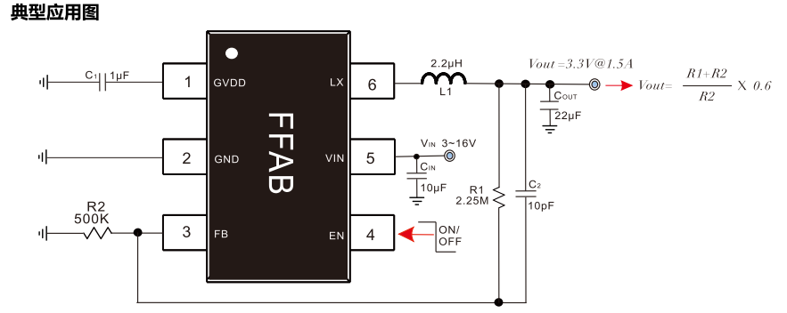
CS5501R是一款低功耗、高效率的CMOS降压DC/DC稳压器,输入电压范围3~16V,最大输出电流1.5A,适用于IOT、白色家电、智能家居、单节/多节锂电供电系统、多节干电池系统及12V电源供电系统。采用纤小的SOT23-6L封装(3000颗/卷,7英寸卷带,8mm宽度),工作环境温度-40℃~85℃,结温范围-40℃~125℃,ESD防护达±2KV(HBM),静态电流仅6A,待机电流低至1A,符合RoHS标准且无卤素,适配移动设备及低功耗场景需求。
核心功能亮点突出,支持PWM/PFM自动切换控制,能在宽负载范围内保持高效率与低纹波,最大效率可达95%,输出纹波小于±0.4%。具备独特的直通跟随模式,当输入电压与设定输出电压差值小于0.1V时,输出电压会跟随输入电压变化,直至输入电压低于设定输出电压,适配低压差供电场景。内置0.6V基准电压,输出电压可通过FB引脚外接分压电阻灵活设定,振荡频率固定为1MHz,响应速度快。
保护机制完善,集成过压、过流、过热、短路保护电路,当工作参数超过控制值时会自动断开,有效保护芯片及后端设备。过流保护的峰值电流限制为1.8A,功率管内阻上管145mΩ、下管85mΩ,性能稳定。使能控制端(EN)高电平(最低1.2V)时芯片工作,低电平(最高0.4V)时芯片关闭,操作便捷。
高效率:最大效率可达到95%
最大电流输出能力:1.5A
低功耗,静态电流小于:6μA
工作电压范围:3~16V
基准电压0.6V
输出纹波:<+0.4%
当VIN-VOUT(设置)<0.1V以内,进入直通跟随模式
100%占空比工作,可实现输出电压跟随输入
PWM/PFM自动切换占空比自动可调以保持很大负载
范围内的高效率,低纹波
符合Rohs标准且无卤素
SOT23-6封装

友情链接: