封装:QFN40
工作电压:4.7V-60V
国产SD3790兼容替代LT3790
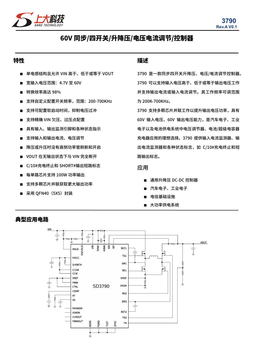
SD3790兼容替代LT3790,是一款同步四开关升降压、电压/电流调节控制器。SD3790可以支持输入电压高于、低于或等于输出电压工作并支持输出电流或输入电流调节。其工作频率可调范围为200K-700KHz。
SD3790支持多颗芯片并联工作以提升输出电压功率,具有60V输入电压、60V输出电压能力,是汽车电子、工业电子以及电池供电系统中电压调节器、电池/超级电容器充电器应用的理想选择。3790提供输入电流监测器、输出电流监测器和各种状态标志,如C/10#充电终止和短路输出标志。

免费提供样品,全程技术支持。更多应用资料请联系我们。
友情链接: