例: SP1231F|SP1233FL|SW6124|SW6106|CS8626
ANT6802

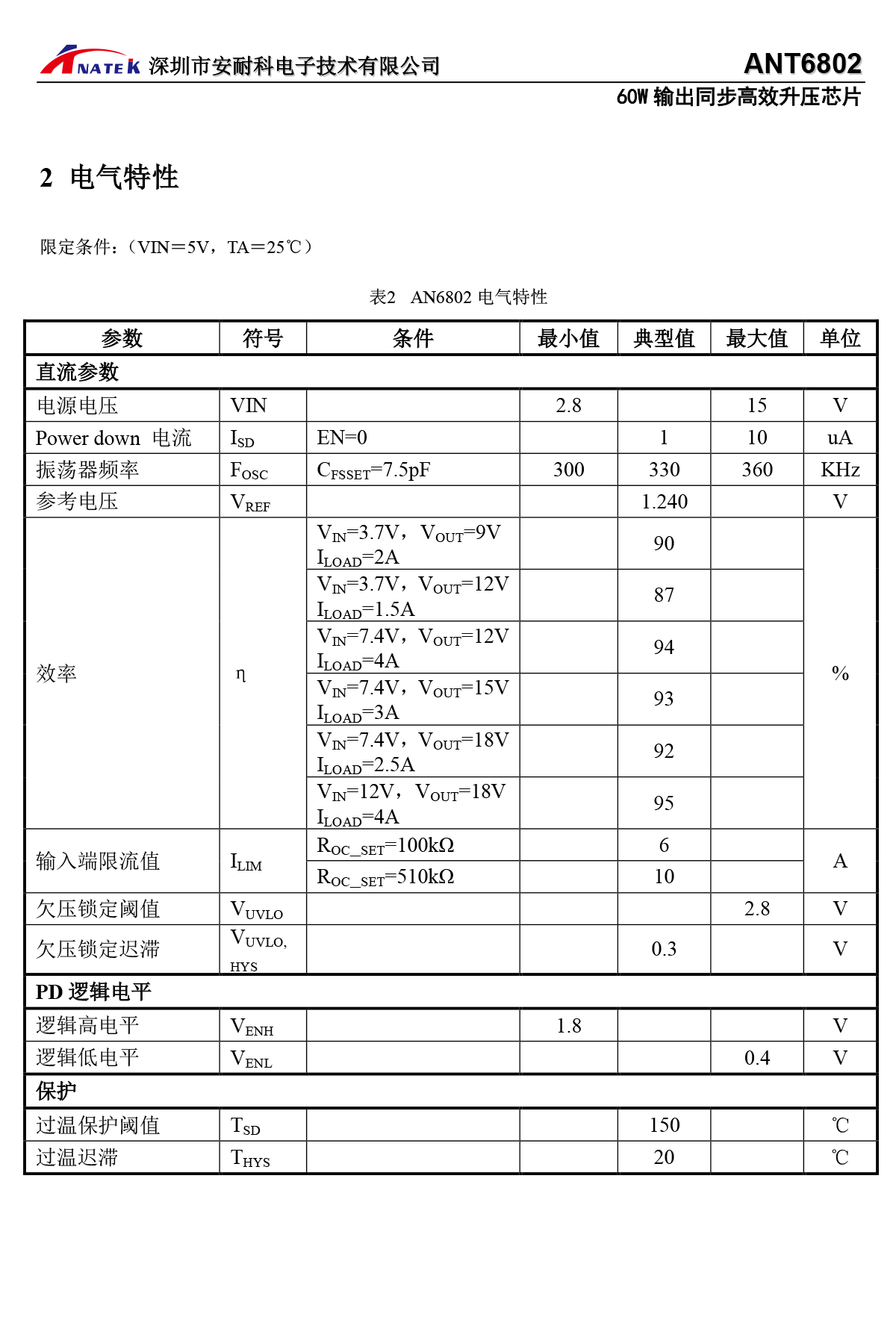
Part NO:ANT6802

封装:eTSSOP24

工作电压:输入电压2.8V-15V(宽电压)

简介:60W 输出同步高效升压芯片,10A 开关电流效率最高可达 95%以上关断期间,漏电流为 1uA 以下可调开关频率可调输入端限流值Cycle-by-cycle 过流保护检测过温保护
  • 友情链接:

    关于我们产品展示方案技术新闻资讯

    深圳市龙华区民治街道民乐路粤通综合楼D栋511室

    联系人:刘先生13794497935      Email:ben@sandtech.cn

    微信公众号

    Copyright copy; 2018 上大科技, All Rights Reserved
    粤ICP备18073833号-1 版权所有:上大科技   网站建设:深圳北易
    上大科技 销售总监
    上大科技 销售经理
    上大科技 销售经理
    上大科技 电话
    上大科技 微信
    上大科技
    返回顶部