例: SP1231F|SP1233FL|SW6124|SW6106|CS8626
CS5086

Part NO:CS5086

封装:ESOP10L

工作电压:3.5~6V

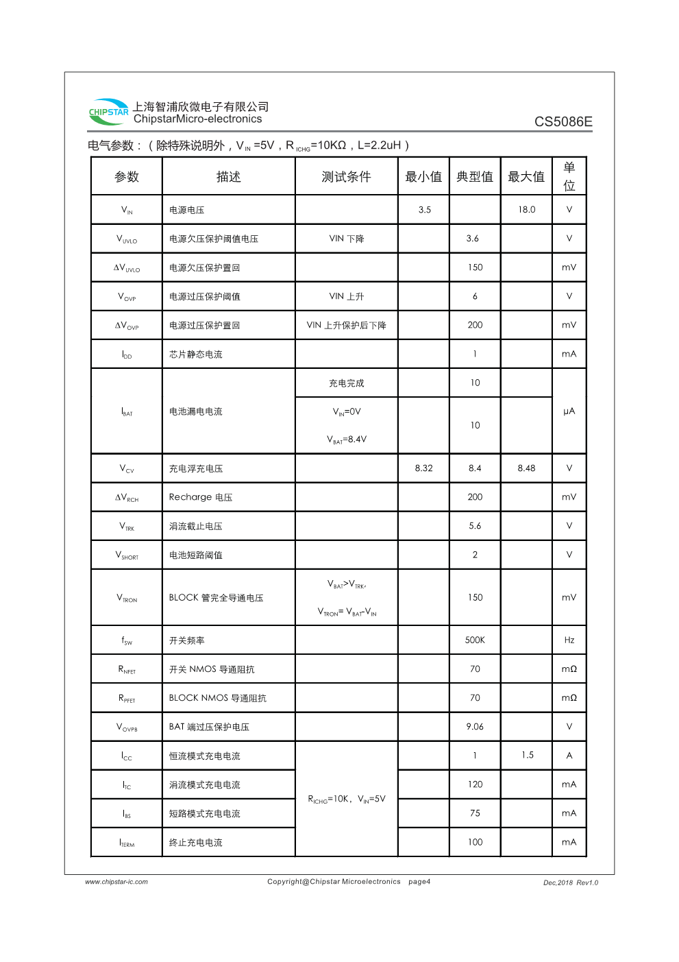
简介:CS5086E是一款5V USB输入,支持双节串联锂电池/锂离子电池的升压充电管理IC。 同时集成有NTC功能和电池自动电量均衡功能,其最大的充电电流可达1.5A。 CS5086E集成 功率MOS,采用异步开关架构 ,使其在应用时仅需极少的外围器件, 可有效减少整体方案尺寸,降低BOM成本。
  • 友情链接:

    关于我们产品展示方案技术新闻资讯

    深圳市龙华区民治街道民乐路粤通综合楼D栋511室

    联系人:刘先生13794497935      Email:ben@sandtech.cn

    微信公众号

    Copyright copy; 2018 上大科技, All Rights Reserved
    粤ICP备18073833号-1 版权所有:上大科技   网站建设:深圳北易
    上大科技 销售总监
    上大科技 销售经理
    上大科技 销售经理
    上大科技 电话
    上大科技 微信
    上大科技
    返回顶部