作者:上大科技发布日期:2025-10-15 10:32:00浏览人数:171
PD65W充电器方案,低成本 小体积 过认证PD65W电源应用方案
随着PD充电器产品方案的成熟,品牌客户不仅需要品质稳定,性能优秀,能过行业认证的充电器方案,也需要成本得到有效的控制。深圳市上大科技有限公司推广:硅动力SP9677W,SP6520H,SPN10R07这三颗料实现PD65W充电器方案。
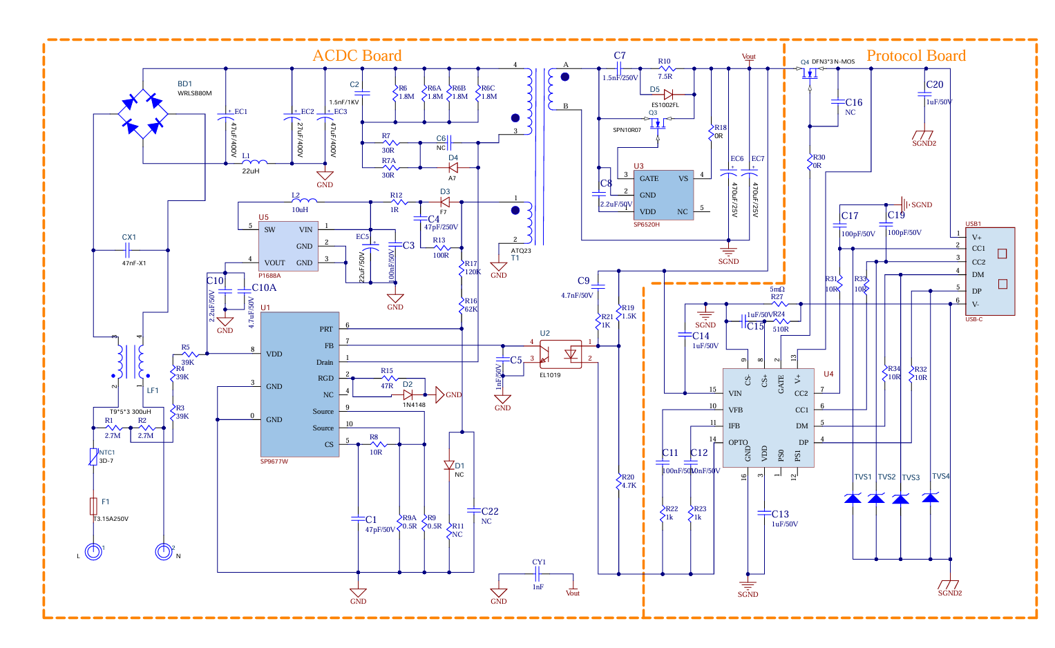
原理图如下:

SP9677W的规格书

SP6520H规格书资料

SPN10R07规格书资料:

SP9677W,SP6520H,SPN10R07实现PD65W充电器的PCBA实图如下:

高效率,低成本,过认证的PD65W充电器方案,提供全套技术资料,包括BOM表,变压器资料,PCB文件,全程技术支持。极大的缩短品牌客户从产品研发到量产的周期。
友情链接: