封装:SOP8
工作电压:输入电压90V-265V
一、概述
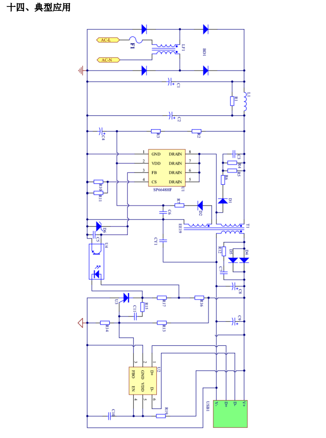
SP6648HF是一颗电流模式PWM控制芯片,内置 650V高压功率MOSFET,应用于功率在18W以内的方案。SP6648HF在 PWM模式下工作于固定开关频率,这个频率是由内部精确设定。在空载或者轻载时,工作频率由IC 内部调整。芯片可以工作在绿色模式,以此来减小轻载时的损耗,提高整机的工作效率。SP6648HF在启动和工作时只需要很小的电流,可以在启动电路中使用一个很大的电阻,以此来进一步减小待机时的功耗。芯片内置有斜坡补偿电路,当电路工作于大占空比时,避免次谐波振荡的发生,改善系统的稳定性。内置有前沿消隐时(Leading-edge blanking time),消除缓冲网络中的二极管反向恢复电流对电路的影响。SP6648HF采用了抖频技术,能够有效改善系统的 EMI性能。系统的跳频频率设置在音频(22KHz)以上,在工作时可以避免系统产生噪音。SP6648HF内置多种保护,包括逐周期限流保护(OCP),过载保护(OLP),过压保护(VDD OVP), VDD 过压箝位,欠压保护(UVLO),过温保护(OTP)等,通过内部的图腾柱驱动结构可以更好的改善系统的EMI特性和开关的软启动控制。
二、特点
? 全电压范围(90Vac-265Vac)输入时待机功耗小于 100mW
? 内置650V 高压功率管
? 4ms软启动用来减少MOSFET 上Vds的应力
? 抖频功能,改善EMI性能
? 跳频模式,改善轻载效率,减小待机功耗
? 无噪声工作
? 固定65KHz开关频率
? 内置同步斜坡补偿
? 低启动电流,低工作电流
? 内置前沿消隐(LEB)功能
? 过载保护(OLP),逐周期限流保护(OCP)
? VDD 过压保护(VDD OVP) ,欠压保护(UVLO),VDD 电压箝位
? 过温保护(OTP)
? SOP8 无铅封装
四、应用范围
? 充电器
? PDA、数码相机、摄像机电源适配器
? 机顶盒电源
? 开放框架式开关电源
? 个人电脑辅助电源 




友情链接: