例: SP1231F|SP1233FL|SW6124|SW6106|CS8626
SW3518

Part NO:SW3518

封装:QFN-28(4X4mm)

工作电压:输入电压6V-40V

简介:SW3518 是一款高集成度的多快充协议双口充电芯片,支持 A+C 口任意口快充输出,支持双口 独立限流。其集成了 5A 高效率同步降压变换器,支持 PPS/PD/QC/AFC/FCP/SCP/PE/SFCP/VOOC 等多种快充协议,CC/CV 模式,以及双口管理逻辑。外围只需少量的器件,即可组成完整的高性能 多快充协议双口充电解决方案。
  • 支持 PD 的多快充协议双口充电解决方案


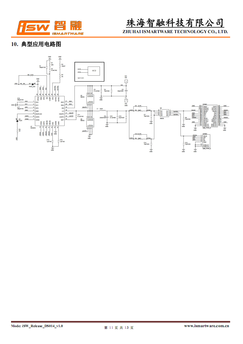
    1. 概述
    SW3518 是一款高集成度的多快充协议双口充电芯片,支持 A+C 口任意口快充输出,支持双口
    独立限流。其集成了 5A 高效率同步降压变换器,支持 PPS/PD/QC/AFC/FCP/SCP/PE/SFCP/VOOC
    等多种快充协议,CC/CV 模式,以及双口管理逻辑。外围只需少量的器件,即可组成完整的高性能
    多快充协议双口充电解决方案。


    2. 应用领域
    ? 车充
    ? 适配器
    ? 插排


    3. 规格
    ? 同步降压变换器
    ? 输出电流高达 5A
    ? 输入电压范围 6~40V
    ? 支持 CC/CV模式
    ? 支持双口独立限流
    ? 支持线损补偿
    ? 支持温度控制
    ? 快充协议
    ? 支持 PPS/PD3.0/PD2.0
    ? 支持 QC4+/QC4/QC3.0/QC2.0
    ? 支持 AFC
    ? 支持 FCP
    ? 支持 SCP
    ? 支持 PE2.0/PE1.1
    ? 支持 SFCP
    ? 支持 VOOC
    ? Type-C接口
    ? 内置 USB Type-C 接口逻辑
    ? 支持 DFP/Source 角色
    ? BC1.2模块
    ? 支持 BC1.2 DCP模式
    ? 支持苹果/三星大电流充电模式
    识别
    ? 快充指示灯
    ? 内置快充指示灯驱动
    ? 保护机制
    ? 软启动
    ? 输入过压保护
    ? 输入欠压保护
    ? 输出过流保护
    ? 输出短路保护
    ? 过温保护
    ? I2C接口
    ? QFN-28(4x4mm) 封装

  • 友情链接:

    关于我们产品展示方案技术新闻资讯

    深圳市龙华区民治街道民乐路粤通综合楼D栋511室

    联系人:刘先生13794497935      Email:ben@sandtech.cn

    微信公众号

    Copyright copy; 2018 上大科技, All Rights Reserved
    粤ICP备18073833号-1 版权所有:上大科技   网站建设:深圳北易
    上大科技 销售总监
    上大科技 销售经理
    上大科技 销售经理
    上大科技 电话
    上大科技 微信
    上大科技
    返回顶部