封装:QFN-28(4X4mm)
工作电压:输入电压6V-40V
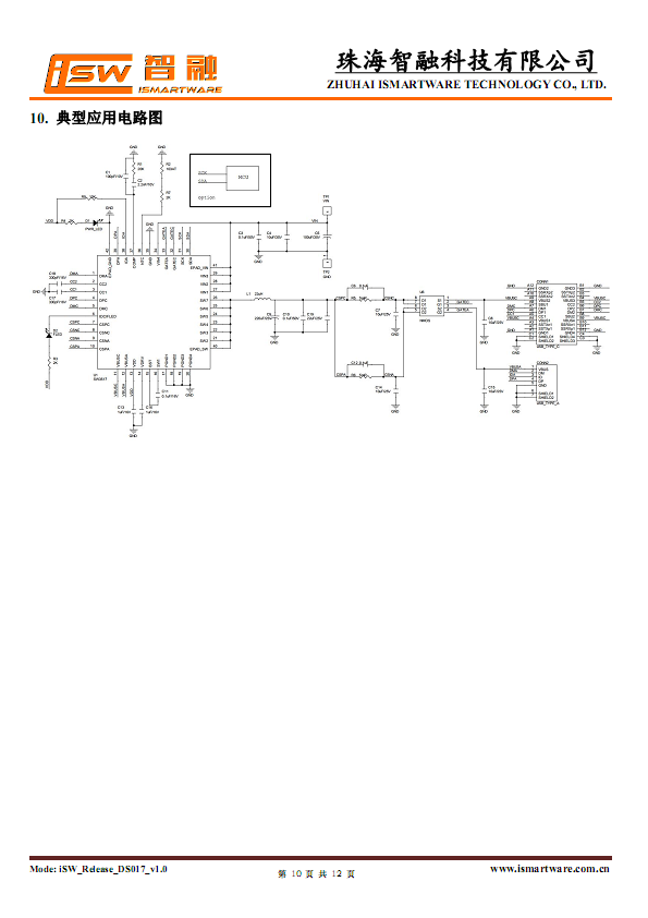
1. 概述
SW3517 是一款高集成度的多快充协议双口充电芯片,支持 A+C 口任意口快充输出,支持双口独立限流。其集成了 5A 高效率同步降压变换器,支持 PPS/PD/QC/AFC/FCP/SCP/PE/SFCP 等多种快充协议,CC/CV模式,以及双口管理逻辑。外围只需少量的器件,即可组成完整的高性能多快充协议双口充电解决方案。
2. 应用领域
? 车充
? 适配器
? 插排
3. 规格
? 同步降压变换器
? 输出电流高达 5A
? 输入电压范围 6~40V
? 支持 CC/CV模式
? 支持双口独立限流
? 支持线损补偿
? 支持温度控制
? 快充协议
? 支持 PPS/PD3.0/PD2.0
? 支持 QC4+/QC4/QC3.0/QC2.0
? 支持 AFC
? 支持 FCP
? 支持 SCP
? 支持 PE2.0/PE1.1
? 支持 SFCP
? Type-C接口
? 内置 USB Type-C 接口逻辑
? 支持 DFP/Source 角色
? BC1.2模块
? 支持 BC1.2 DCP模式
? 支持苹果/三星大电流充电模式
识别
? 快充指示灯
? 内置快充指示灯驱动
? 保护机制
? 软启动
? 输入过压保护
? 输入欠压保护
? 输出过流保护
? 输出短路保护
? 过温保护
? I2C接口
? QFN-39(5x5mm) 封装

友情链接: