作者:上大科技发布日期:2023-11-09 17:33:49浏览人数:828
电动车手机充电器,A+C,支持大多数品牌手机快充协议,显超级快充标识,30W高耐压电动车手机充电器方案
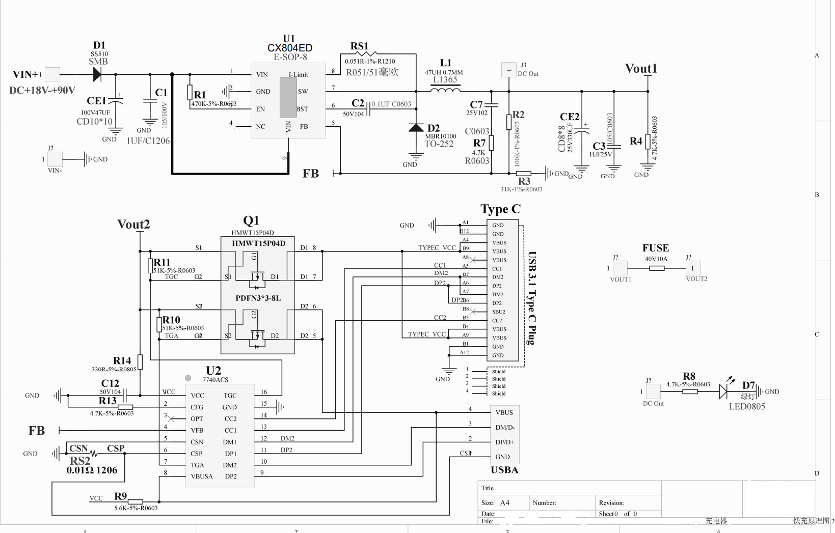
随着二轮,三轮电动车,电瓶车的普及,手机在车上得到快速充满电的需求量增大,上大科技推出电动车手机器推出系列高耐压方案,全快充协议的方案,产品有A口,C口,A+C口等供选择。
CX804系列是单片集成可设定输出电流的开关 型降压恒压驱动器,可工作在宽输入电压范围具有 优良的负载和线性调整度。 安全保护机制包括每周期的峰值限流、软启动、 过压保护和温度保护,带VIN分压采样电压输出。 EHV或DHV需要非常少的常规外围器件。 采用简单通用的8脚的ESOP8封装.
CS7740AC,是A+C快充全协议芯片,支持市场上主流手机品牌机型的快充协议,显示超级快充标识。具体手机型号兼容表可向我们要资料。



提供方案设计,更多应用资料请联系我们。
附件下载友情链接: