作者:上大科技发布日期:2022-02-25 09:38:00浏览人数:1145
6802是一个电源传输(PD)接收器控制器IC 6802可以从符合Type-C PD协议的电源请求最大或指定电压。
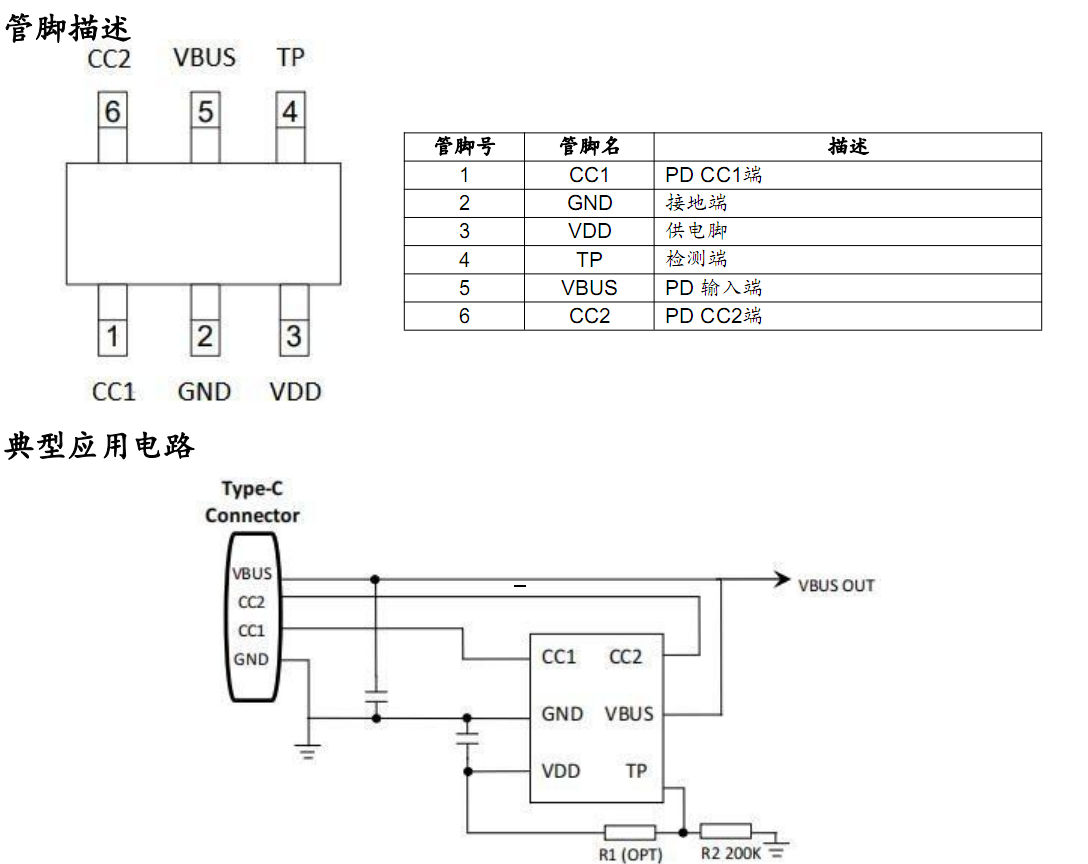
6802中CC1和CC2引脚上内置下拉电阻。 6802检测到TYPE-C充电协议, 能完美识别到PD的所有工作电压,主动选择所需要的PD输出电压,从而进行选择性的切换。
◆ 支持USB Type-C规范1.3版
◆ 支持USB PD 2.0和PD 3.0通信协议,最多支持7
个电源对象
◆ 工作电压:3V至20V
◆ 可诱骗PD输出5V、9V、12V、20V电压
◆ 封装:SOT23-6L
◆ 音频
◆ 机顶盒
◆ 路由器
◆ 智能家居
◆ 照明

友情链接: