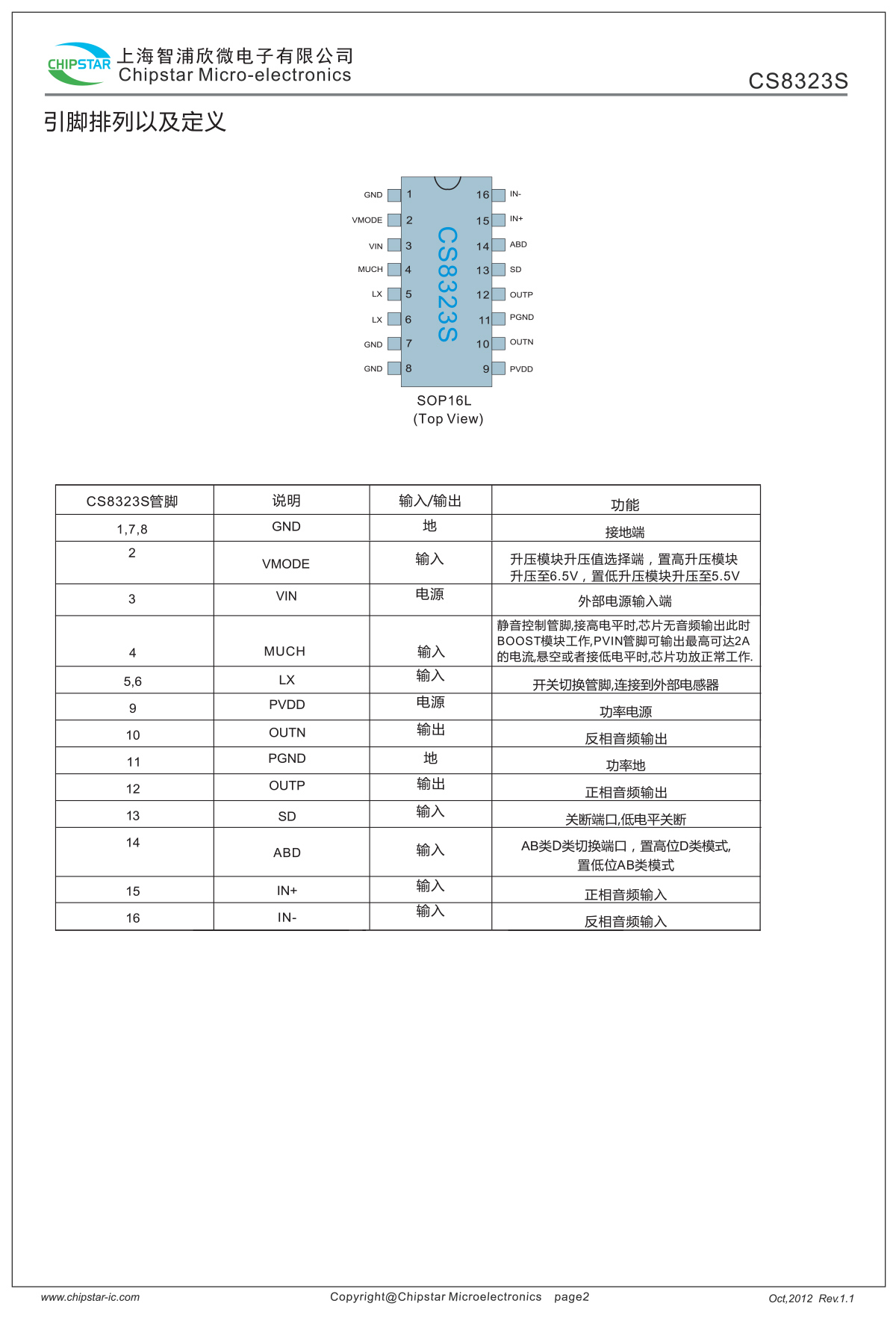
封装:SOP16
工作电压:2.5-5V
产品简介:
CS8323S是一款内置BOOST升压模块R类音频功率放大器。内置的BOOST升压模块在5.5V和6.5V两个电压点之间可选。当BOOST升压模块在5.5V的情况下,可以为4 Ω的负载提供3.7W的恒定功率,并通过MUCH使能端的控制,BOOST模块可以单独提供最高可达2A的电流输出;当BOOST升压模块在6.5V的情况下,可以为4 Ω的负载提供5.0W的恒定功率.AB类D类可切换模式的设计,最大限度的减少音频子系统中功放对FM的干扰.CS8323S在锂电池的供电电压范围内提供了极致的功率输出,使得CS8323S成为便携式音箱设备特别是扩音器产品的最优选择. CS8323S的全差分架构和极高的PSRR有效地提高了CS8323S对RF噪声的抑制能力。无需滤波器的PWM调制结构及内置的BOOST升压模块,尽可能的减少了外围器件,另外CS8323S内置了过流保护,短路保护和过热保护,有效的保护芯片在异常的工作条件下不被损坏。
性能特点:
●内置BOOST模块,AB类D类集成的特殊R类结构
●输出功率
PO at 10% THD+N, VIN = 3.7V
RL = 4 Ω 3.70W(BOOST升压值为5.5V)
RL = 4 Ω 5.00W(BOOST升压值为6.5V)
● 优异的"噼噗-咔嗒"(pop-noise)杂音抑制能力
●工作电压范围:2.5V到5.0V
●MUCH功能:功放静音同时,PVDD可输出最高2A的电流
●无需滤波的Class-D结构
● 72%的效率
●高电源抑制比(PSRR):在217Hz下为70dB
●启动时间 (260ms)
●静态电流 (10mA)
●低关断电流 (<0.1μA)
●过流保护,短路保护和过热保护
●符合Rohs标准的无铅封装
封装和工作环境
● 采用纤小的SOP16封装,有效的节省了PCB板面积。
● 额定的工作温度范围为-40℃至85℃。
极其精简的外围,仅需要最常见的阻容感就可以为CS8323S实现外围,缩短产品的开发周期。



友情链接: