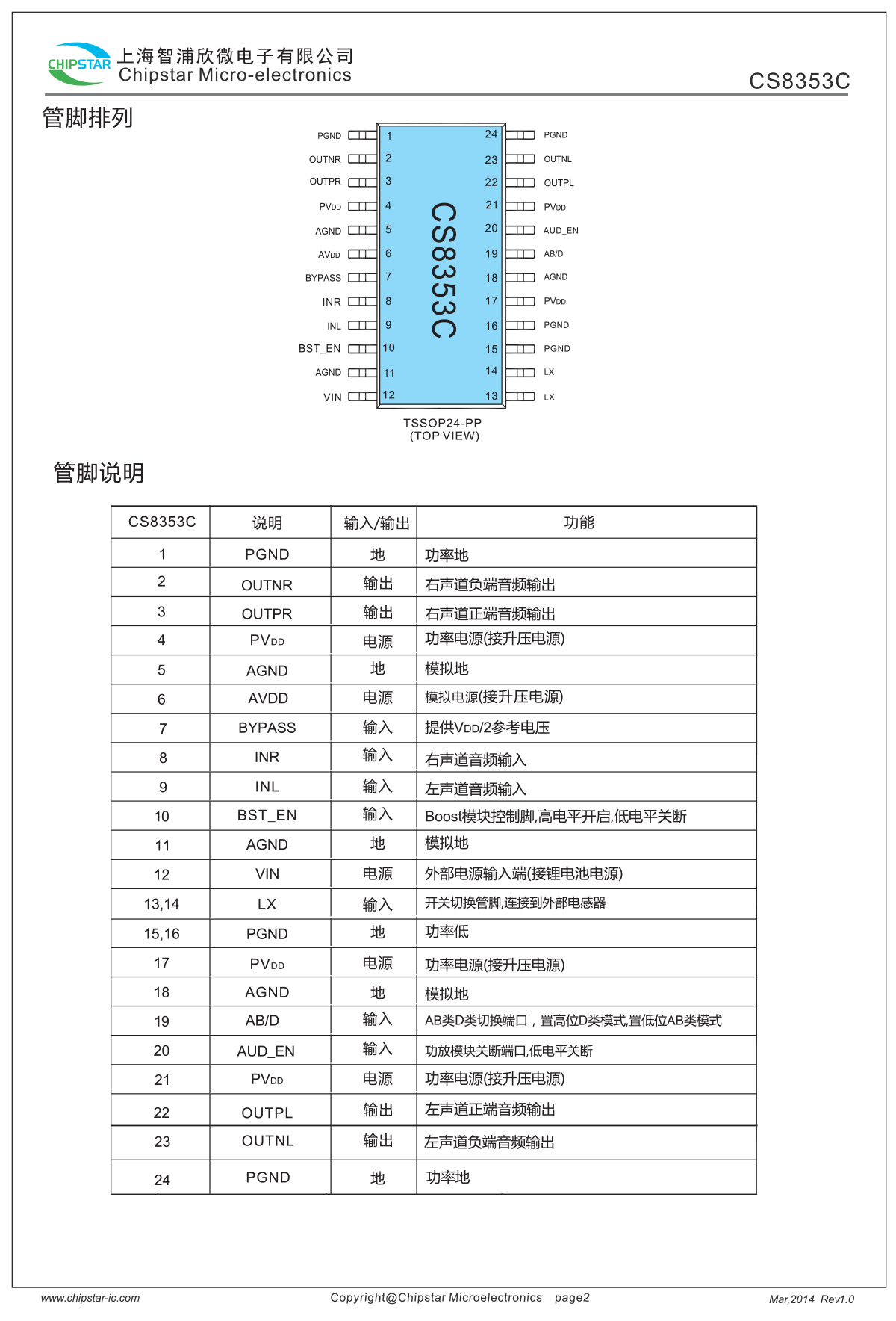
封装:TSSOP24L-PP
工作电压:2.5-5V
产品概要
CS8353C 是一款带AB/D切换,内置BOOST升压模块,固定20倍增益,5.5WX2立体声,R类音频功率放大器。内置的BOOST升压模块可以将锂电池电压升压至6.5V可以为4Ω的负载提供5.5W的恒定功率,BST_EN使能端可以单独控制BOOST模块的开启和关闭,AB类和D类可切换模式的设计,最大限度的减少音频子系统中功放对FM的干扰。CS8353C在锂电池的供电电压范围内提供了极致的功率输出,使得CS8353C成为便携式音箱设备特别是蓝牙音箱产品的最优选择。
CS8353C双通道音频功率放大器是为需要输出高质量音频功率的系统设计的,它采用表面贴装技术,只需要少量的外围器件,便使系统具备高功率的音频输出。CS8353C采用双通道设计使芯片具有了桥事联接扬声器放大,简化了音频系统的外围电路设计。另外内置升压的设计,使得音频系统突破了电源电压的限制,让便携音箱有了更极致的音乐感受。内置了低功耗待机电路和过热保护电路,同时内置了杂音消除电路,可以消除芯片启动和关断过程中的咔嗒声或噼噗声。
CS8353C提供了纤小的TSSOP24L-PP封装形式供客户选择,其额定的工作温度范围为-40℃至85℃。
性能特点
●内置BOOST模块,AB类D类集成的特殊R类结构
●输出功率
PO at 1% THD+N, VIN = 4.2V
RL = 4Ω 4.50W/CH
PO at 10% THD+N, VIN = 4.2V
RL = 4Ω 5.50W/CH
● 优异的"噼噗-咔嗒"(pop-noise)杂音抑制能力
●工作电压范围:2.5V到5.0V
●MUCH功能:功放静音同时,PVDD可输出最高2A的电流
●无需滤波的Class-D结构
● 72%的效率
●高电源抑制比(PSRR):在217Hz下为70dB
●启动时间 (160ms)
●静态电流 (10mA)
●低关断电流 (<0.1μA)
●过流保护,短路保护和过热保护
●符合Rohs标准的无铅封装
应用
便携式蓝牙音箱



友情链接: