例: SP1231F|SP1233FL|SW6124|SW6106|CS8626
SW7203

Part NO:SW7203

封装:QFN-32(4x4mm)

工作电压:4V-24V

简介:同步 4管双向升降压充放电控制器,支持 1-4节电池的充放电管理,支持 NVDC 功能,可以提供最大 100W 的功率输出,支持多路输入输出检测及通路驱动,配合 MCU和协议芯片可组成一个简洁完整的双向快充充放电方案
  • SW7203,支持 NVDC 的高效率双向升降压充放电控制器,1-4节锂电池,最大功率100W


    1. 概述

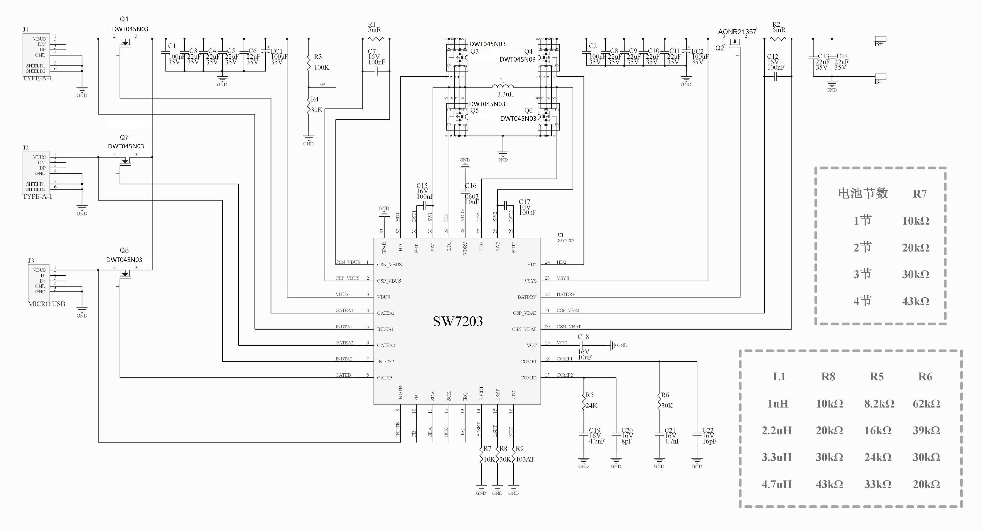
    SW7203 是一个高效率的同步 4管双向升降压充放电控制器,支持 1-4节电池的充放电管理,支持 NVDC 功能,可以提供最大 100W 的功率输出,支持多路输入输出检测及通路驱动,配合 MCU和协议芯片可组成一个简洁完整的双向快充充放电方案。

    2. 应用领域

    ? 快充电源/车载充电器
    ? 电动工具
    ? 笔记本电脑
    ? 无人机
    ? 扫地机器人
    ? 对讲机

    3. 规格

    ? 高效升降压开关充电

    ? 支持 1至 4 节锂电池升降压充电,
    包含完整的充电循环管理
    ? 支持 3V-19.2V充电目标电压设置
    可支持多种类型的锂电池
    ? 支持 100W输入功率
    ? 支持 4V-24V输入电压
    ? 支持 I2C 编程控制输入端/电池端限流
    ? 升压和降压之间无缝切换

    ? 反向升降压放电

    ? 支持 100W输出功率
    ? 支持 3V-22V输出电压
    ? 可灵活选择 FB/I2C 调压方式
    ? 支持 I2C 编程控制输出限流
    ? PSM/PWM 模式随负载大小自动切换

    ? NVDC 电源路径管理

    ? 支持死电池启动
    ? 可灵活调整 Vsys 工作范围
    ? 适配器满载时电池可向系统供电

    ? 12bit高精度 ADC

    ? 端口接入检测

    ? 1 个适配器接入检测
    ? 2 个负载接入检测
    ? 低静态输入电流
    ? 关机电流最低30uA

    ? 通路MOS驱动

    ? 集成 3 个 NMOS 驱动,简化电路设计

    ? NTC检测

    ? 集成 NTC 检测功能,支持电池高低温保护
    ? 支持 62368标准

    ? 完善的保护机制

    ? 输入过压/输出过压
    ? 输出过流/短路保护
    ? 芯片过温保护

    ? I2C接口
    ? QFN-32(4x4mm) 封装


    参考原理图



    更多资料请与我们联系!


  • 友情链接:

    关于我们产品展示方案技术新闻资讯

    深圳市龙华区民治街道民乐路粤通综合楼D栋511室

    联系人:刘先生13794497935      Email:ben@sandtech.cn

    微信公众号

    Copyright copy; 2018 上大科技, All Rights Reserved
    粤ICP备18073833号-1 版权所有:上大科技   网站建设:深圳北易
    上大科技 销售总监
    上大科技 销售经理
    上大科技 销售经理
    上大科技 电话
    上大科技 微信
    上大科技
    返回顶部