例: SP1231F|SP1233FL|SW6124|SW6106|CS8626
CS8736:低空载电流,AM抑制,2×150W双声道D类音频功率放大器

Part NO:CS8736:低空载电流,AM抑制,2×150W双声道D类音频功率放大器

封装:EFB40

工作电压:5V-36V

简介:输出功率(THD+N=10%)
VDD=24V@RL=4Ω 2X80W
VDD=28V@RL=4Ω 2X110W
VDD=30V@RL=4Ω 2X130W
VDD=32V@RL=4Ω 2X140W
VDD=34V@RL=4Ω 2X155W
VDD=36V@RL=8Ω 2X99W
单电源供电,宽电源电压范围:5V~36V
  • CS8736E 作为 2X150W 立体声 D 类音频功率放大器,在硬件设计中具备多重适配优势,尤其贴合高功率音频场景需求。其顶层设计散热焊盘,外接散热器后可实现 2X150W 以上持续功率输出,且在适宜电源电压下能驱动低至 2Ω 负载,搭配 EFB40 封装,为散热器件安装及 PCB 布局提供便利,额定工作温度范围覆盖 - 20℃至 85℃,适配多环境应用。

    电气性能上,该芯片支持 5V~36V 宽电源电压输入,45V 耐压设计提升可靠性,92% 高效性能(PVCC=15VPO=2X20W 条件下)降低功耗损耗;内置过流、短路、过热三重保护,过热保护触发温度 170℃,降温 20℃后可自动恢复,短路故障排除后 110ms 内自恢复,减少硬件故障风险。

    设计灵活性方面,CS8736E 提供三段增益可选(GAIN 端接地 / 悬空 / 接高电平对应 54 / 40 / 20 倍放大,集成对应输入与反馈电阻),AMR/AML 管脚可通过不同接地方式选择 270kHz-600kHz 开关频率以实现 AM 抑制;PCB 设计时需注意大电流路径(VINPVCCGND)粗短走线、露铜加锡,供电脚就近贴 10μF 1μF 陶瓷电容,推荐搭配 470μF 电解电容,所有 GND 就近接大面积铜箔减小阻抗,进一步保障电路稳定性。

    目前该芯片提供 EFB40 封装管装版本,适配车载音频、家庭音响系统、紧急呼叫等场景,硬件工程师可结合具体功率需求(如 VDD=34V@RL=4Ω 时 2X155W 输出)及防护设计需求,快速集成至音频方案中。

    CS8736E的特性

    输出功率(THD+N=10%)

    VDD=24V@RL=4Ω 2X80W

    VDD=28V@RL=4Ω  2X110W

    VDD=30V@RL=4Ω 2X130W

    VDD=32V@RL=4Ω 2X140W

    VDD=34V@RL=4Ω 2X155W

    VDD=36V@RL=8Ω 2X99W

    单电源供电,宽电源电压范围:5V~36V

    高可靠性设计:45V耐压设计

    效率:92%@PVCC=15VPO=2X20W

    三段增益可选

    静音功能控制

    音频系统带滤波网络,静态电流30mA@24V

    多重开关频率可选:AM抑制选频功能

    输出管脚方便布线布局

    良好短路保护和具备自动恢复功能的温度保护

    良好的失真和防噗声功能

    差分输入增强型封装设计:顶层散热焊盘的特殊设计

    CS8736E 的应用信息

    图片5.png 

    1 典型应用图

    图片6.png 

     

    2 引脚排列及定义

    图片7.png 

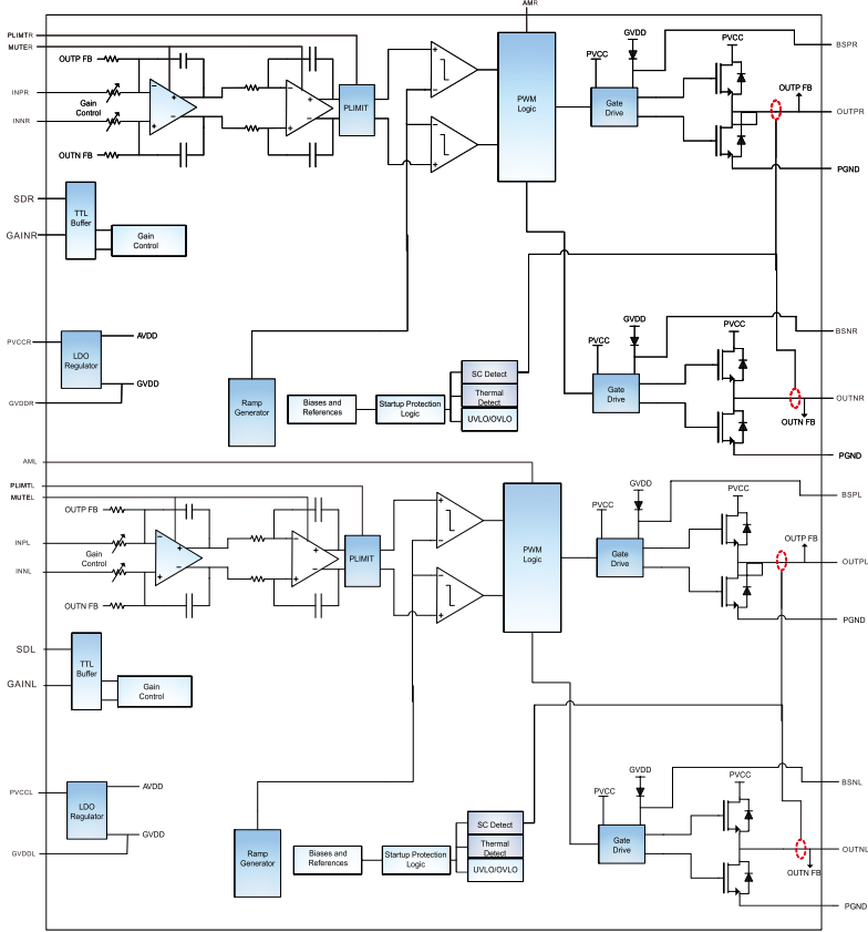
    3 功能框图

    图片8.png 

     

    4 基础参数

    图片9.png 

    图片2.png 

    刘先生:13794497935 ( 微信同号)          


         QQ:1154413202   


    蔡先生: 19373794842(微信同号)


         QQ:3353786219


  • 友情链接:

    关于我们产品展示方案技术新闻资讯

    深圳市龙华区民治街道民乐路粤通综合楼D栋511室

    联系人:刘先生13794497935      Email:ben@sandtech.cn

    微信公众号

    Copyright copy; 2018 上大科技, All Rights Reserved
    粤ICP备18073833号-1 版权所有:上大科技   网站建设:深圳北易
    上大科技 销售总监
    上大科技 销售经理
    上大科技 销售经理
    上大科技 电话
    上大科技 微信
    上大科技
    返回顶部