封装:ESOP10L
工作电压:4.5V~23V
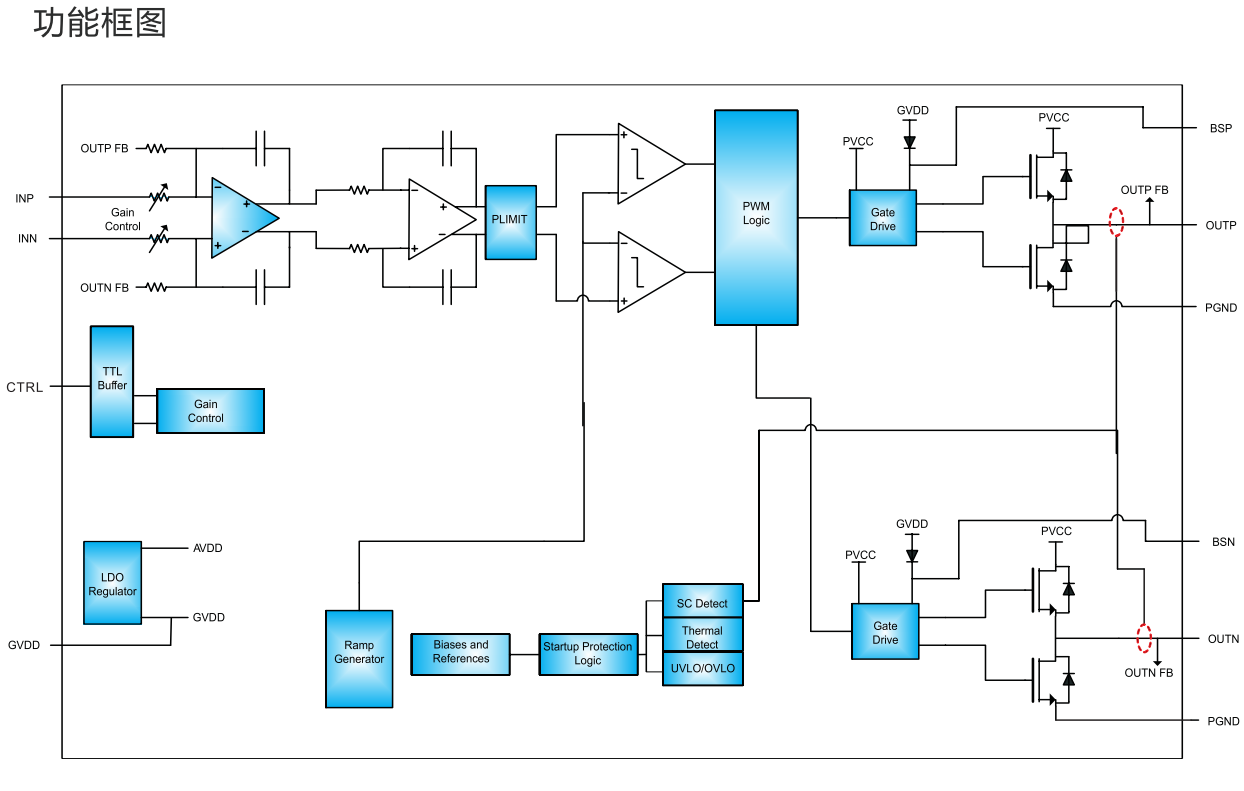
CS8631E是一款单声道D类音频功率放大器,专为AI音箱、家庭音响系统等需要高质量音频输出的设备设计,采用ESOP10L封装(底部带PGND散热片,管装100颗/管),工作环境温度-40℃~85℃,结温范围-40℃~150℃,热阻45℃/W,输入电压覆盖4.5~23V(极限耐压24V),转换效率高达92%,无需额外散热器即可稳定工作。
它的输出功率根据供电电压和负载灵活调整,7.4V/2Ω负载下为12.5W,9V/2Ω下18W,12V/3Ω下23.5W,12V/4Ω下20W,15V/4Ω下30W,16V/4Ω下32W,18V/4Ω下最高可达40W(10% THD+N),能满足不同功率需求。音频性能优异,总谐波失真加噪声(THD+N)低至0.1%,信噪比(SNR)达102dB,电源纹波抑制比70dB,声音还原清晰,串扰低至-100dB,抗干扰能力强。
核心功能上,它具备扩频技术,当CTRL引脚电压在1.05~1.25V时开启,开关频率在315kHz±25kHz随机变化,可有效分散频谱能量降低EMI,输出端搭配廉价铁氧体磁珠或简单滤波组合(磁珠+1nF或10uH+1uF)即可通过FCC B级认证,实现免滤波设计。芯片采用40倍固定增益,内置16K输入电阻和640K反馈电阻,减少外围器件;支持差分输入和单端输入,差分输入能抑制共模噪声、避免开关机噗声,单端输入需注意阻抗匹配和布线。CTRL引脚还兼具多功能,高电平(≥2V)开启芯片,低电平(≤0.8V)进入待机模式,电压大于1.6V时关闭扩频模式,不可悬空,最高可接PVCC。
保护机制完善,输出端短路时会立即关断输出,故障排除后110ms自动恢复;结温超过150℃(±15℃容差)时触发过热保护,温度下降20℃后自动重启;还内置过流保护、扬声器直流保护及18.0V过压保护,能有效保护芯片与扬声器。应用时,PCB布局需让底部散热片大面积覆铜并通过过孔接地以增强散热;优先选择差分输入,单端输入需注重信号走线与地平面分布;关断电源前建议先将CTRL拉低至待机模式,以实现最佳关断性能。
输出功率
PO at 10% THD+N, VDD = 7.4V@RL = 2 Ω P=12.5W
PO at 10% THD+N, VDD = 9.0V@RL = 2 Ω P=18W
PO at 10% THD+N, VDD = 12V@RL = 3 Ω P=23.5W
PO at 10% THD+N, VDD = 12V@RL = 4 Ω P=20W
PO at 10% THD+N, VDD = 15V@RL = 4 Ω P=30W
PO at 10% THD+N, VDD = 16V@RL = 4 Ω P=32W
PO at 10% THD+N, VDD = 18V@RL = 4 Ω P=40W
效率高达92%,无需散热片
扩频功能
较大的电源电压范围4.5V~23V
内置16K输入电阻,集成640K的反馈电阻
免滤波功能
扬声器保护包括可调功率限制器加直流保护
输出管脚方便布线布局
良好短路保护和具备自动恢复功能的温度保护
良好的失真和防噗声功能
差分输入

友情链接: